DL8CYF下车多路阀

产品名称 |
DL8CYF下车多路阀 |
产品品牌 |
茸工 |
产品型号 |
DL8CYF |
产品口径 |
80-120 L/min |
产品压力 |
21MPa |
产品材质 |
45# |
产品应用 |
换向系统 |
联系人 |
陈经理 |
联系手机 |
18017116690 |
公司名称 |
上海茸工液压设备制造有限公司 |
开户银行 |
中国农业银行股份有限公司上海惠南支行 |
开户账号 |
03895800040081800 |
售后承诺 |
质保一年,质量三包:包修、包换、包退。 |
DL8CYF下车多路阀 技术参数:
额定压力/Rated Pressure:21MPa额定流量/Rated Flow:(P→V)120 L/min
(P→T)80 L/min
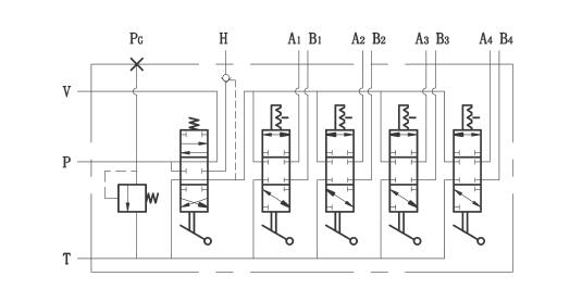
DL8CYF下车多路阀 液压原理图:
DL8CYF下车多路阀 外形尺寸:




23SHX-06型二位三通手动换向阀

公司客服一