VH3V二位三通高压球阀

产品名称 |
VH3V二位三通高压球阀 |
产品品牌 |
茸工 |
产品型号 |
VH3V |
产品口径 |
1/8-2寸 |
产品压力 |
31.5-50Mpa |
产品材质 |
45# |
产品应用 |
液压系统 |
联系人 |
陈经理 |
联系手机 |
18017116690 |
公司名称 |
上海茸工液压设备制造有限公司 |
开户银行 |
中国农业银行股份有限公司上海惠南支行 |
开户账号 |
03895800040081800 |
售后承诺 |
质保一年,质量三包:包修、包换、包退。 |
VH3V二位三通高压球阀 型号说明:
1、系列代号:VH3V系列
2、连接代号:M**、G**、**LR、**SR、PT**、NPT**
3、阀体材料:1-钢
4、球体材料:1-钢、2-黄铜
5、工作温度:1. -25~+100℃、2. -30~+170℃
6、其他密封:2-丁晴橡胶、4-氟橡胶
7、手柄形式:01-铝质直柄、02-铝质曲柄、03-铸锌直柄、04-铸锌曲柄、
05 -钢质直柄、06 -钢质曲柄、09 -不带手柄
8、设计序号:由生产商定
9、表面处理:空白-磷化、G-电镀黄锌
VH3V二位三通高压球阀 图形符号:
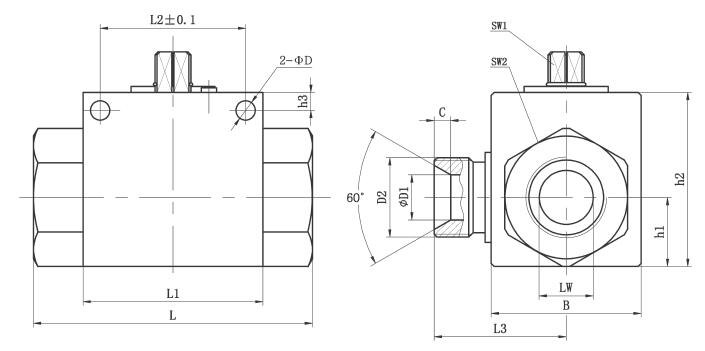
VH3V二位三通高压球阀 外形尺寸:
VH3V二位三通高压球阀 M螺纹尺寸图:
| 简略型号 | PN | DN | LW | RA | d1 | i | L | L1 | B | L2 | h1 | h2 | SW1 | SW2 | D | h3 | L3 | D1 | C |
| VH3V-M16×1.5 | 500 | 06 | 06 | 11 | M16×1.5 | 11 | 69 | 40 | 26 | 31.5 | 13.5 | 35 | 09 | 22 | 4.5 | 4.8 | 26 | 6 | 4 |
| VH3V-M27×1.5 | 500 | 10 | 10 | 20 | M27×1.5 | 12 | 76 | 42 | 32 | 31.5 | 16 | 40 | 09 | 27 | 5.3 | 5.8 | 31 | 8 | 4 |
| VH3V-M36×2 | 400 | 20 | 20 | 30 | M36×2 | 15 | 103 | 60 | 48 | 48.5 | 25 | 58 | 12 | 41 | 6.5 | 6 | 44 | 15 | 5.5 |
| VH3V-M42×2 | 350 | 25 | 23 | 35 | M42×2 | 18 | 116 | 65 | 57 | 50.5 | 28.5 | 65 | 12 | 50 | 8.5 | 7 | 53.5 | 22 | 5 |
VH3V二位三通高压球阀 G螺纹尺寸图:
| 简略型号 | PN | DN | LW | RA | d1 | i | L | L1 | B | L2 | h1 | h2 | SW1 | SW2 | D | h3 | L3 | D1 | C |
| VH3V-G1/4 | 500 | 06 | 06 | / | G1/4 | 14 | 69 | 40 | 26 | 31.5 | 13.5 | 35 | 09 | 22 | 4.5 | 4.8 | 26 | 6 | 4 |
| VH3V-G3/8 | 500 | 10 | 10 | / | G3/8 | 14 | 72 | 42 | 32 | 31.5 | 16 | 40 | 09 | 27 | 5.3 | 5.8 | 31 | 8 | 4 |
| VH3V-G1/2 | 500 | 13 | 12 | / | G1/2 | 16 | 83 | 48 | 35 | 38.5 | 18 | 45 | 09 | 30 | 6.5 | 6 | 35 | 12 | 3 |
| VH3V-G3/4 | 400 | 20 | 20 | / | G3/4 | 18 | 93 | 60 | 50 | 48.5 | 23 | 58 | 12 | 41 | 6.5 | 6 | 44 | 15 | 5.5 |
| VH3V-G1 | 350 | 25 | 25 | / | G1 | 21 | 115 | 65 | 57 | 50.5 | 27.5 | 65 | 12 | 46 | 8.5 | 7 | 53.5 | 22 | 5 |
VH3V二位三通高压球阀 NPT螺纹尺寸图:
| 简略型号 | PN | DN | LW | RA | d1 | i | L | L1 | B | L2 | h1 | h2 | SW1 | SW2 | D | h3 | L3 | D1 | C |
| VH3V-NPT1/4 | 500 | 06 | 06 | / | NPT1/4 | 14 | 69 | 40 | 26 | 31.5 | 13.5 | 35 | 09 | 22 | 4.5 | 4.8 | 26 | 6 | 4 |
| VH3V-NPT3/8 | 500 | 10 | 10 | / | NPT3/8 | 14 | 72 | 42 | 32 | 31.5 | 16 | 40 | 09 | 27 | 5.3 | 5.8 | 31 | 8 | 4 |
| VH3V-NPT1/2 | 500 | 13 | 12 | / | NPT1/2 | 16 | 83 | 48 | 35 | 38.5 | 18 | 45 | 09 | 30 | 6.5 | 6 | 35 | 12 | 3 |
| VH3V-NPT3/4 | 400 | 20 | 20 | / | NPT3/4 | 18 | 95 | 60 | 50 | 48.5 | 23 | 58 | 12 | 41 | 6.5 | 6 | 44 | 15 | 5.5 |
| VH3V-NPT1 | 350 | 25 | 25 | / | NPT1 | 21 | 113 | 65 | 57 | 50.5 | 27.5 | 65 | 12 | 46 | 8.5 | 7 | 53.5 | 22 | 5 |
VH3V二位三通高压球阀 LR螺纹尺寸图:
| 简略型号 | PN | DN | LW | RA | d1 | i | L | L1 | B | L2 | h1 | h2 | SW1 | SW2 | D | h3 | L3 | D1 | C |
| VH3V-08LR | 500 | 06 | 06 | 08 | M14×1.5 | 10 | 67 | 40 | 26 | 31.5 | 13.5 | 35 | 09 | 22 | 4.5 | 4.8 | 26 | 6 | 4 |
| VH3V-12LR | 500 | 10 | 10 | 12 | M18×1.5 | 11 | 74 | 42 | 32 | 31.5 | 16 | 40 | 09 | 27 | 5.3 | 5.8 | 31 | 8 | 4 |
| VH3V-15LR | 500 | 13 | 12 | 15 | M22×1.5 | 12 | 82 | 48 | 35 | 38.5 | 18 | 45 | 09 | 30 | 6.5 | 6 | 35 | 12 | 3 |
| VH3V-18LR | 500 | 13 | 12 | 18 | M26×1.5 | 12 | 82 | 48 | 35 | 38.5 | 18 | 45 | 12 | 30 | 6.5 | 6 | 35 | 12 | 3 |
| VH3V-22LR | 400 | 20 | 19 | 22 | M30×2 | 14 | 101 | 60 | 50 | 48.5 | 23 | 58 | 12 | 41 | 6.5 | 6 | 44 | 15 | 5.5 |
| VH3V-28LR | 350 | 25 |
24 |
28 | M36×2 | 14 | 108 | 65 | 57 | 50.5 | 27.5 | 65 | 12 | 46 | 8.5 | 7 | 53.5 | 22 | 5 |
VH3V二位三通高压球阀 SR螺纹尺寸图:
| 简略型号 | PN | DN | LW | RA | d1 | i | L | L1 | B | L2 | h1 | h2 | SW1 | SW2 | D | h3 | L3 | D1 | C |
| VH3V-10SR | 500 | 06 | 06 | 10 | M18×1.5 | 12 | 73 | 40 | 26 | 31.5 | 13.5 | 35 | 09 | 22 | 4.5 | 4.8 | 26 | 6 | 4 |
| VH3V-14SR | 500 | 10 | 10 | 14 | M22×1.5 | 14 | 80 | 42 | 32 | 31.5 | 16 | 40 | 09 | 27 | 5.3 | 5.8 | 31 | 8 | 4 |
| VH3V-16SR | 500 | 13 | 12 | 16 | M24×1.5 | 14 | 86 | 48 | 35 | 38.5 | 18 | 45 | 09 | 30 | 6.5 | 6 | 35 | 12 | 3 |
| VH3V-20SR | 500 | 13 | 12 | 20 | M30×2 | 16 | 90 | 48 | 35 | 38.5 | 18 | 45 | 09 | 30 | 6.5 | 6 | 35 | 12 | 3 |
| VH3V-25SR | 400 | 20 | 20 | 25 | M36×2 | 18 | 109 | 60 | 50 | 48.5 | 23 | 58 | 12 | 41 | 6.5 | 6 | 44 | 15 | 5.5 |
| VH3V-30SR | 350 | 25 | 25 | 30 | M42×2 | 20 | 120 | 65 | 57 | 50.5 | 27.5 | 65 | 12 | 46 | 8.5 | 7 | 53.5 | 22 | 5 |




KHB高压球阀

公司客服一